

SUPORTE PEDESTAL COM REGULADOR DE ALTURA PARA CURVA RAIO LONGO
TIPO: SC-RL

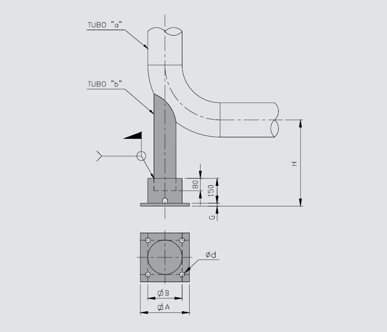
| Item | DN (mm) | DN (pol.) | Tubo a"(pol.) | Tubo b"(pol.) | H máximo (mm) | A (mm) | B (mm) | Ød (pol.) | G (pol.) |
| SC-RL-12 | 12 | 1/2" | 1/2" | 1/2" | 600 | 152 | 110 | 1/2" | 3/8" |
| SC-RL-20 | 20 | 3/4" | 3/4" | 3/4" | 900 | 152 | 110 | 1/2" | 3/8" |
| SC-RL-25 | 25 | 1" | 1" | 1" | 1000 | 152 | 110 | 1/2" | 3/8" |
| SC-RL-40 | 40 | 1 1/2" | 1 1/2" | 1 1/2" | 1500 | 152 | 110 | 1/2" | 3/8" |
| SC-RL-50 | 50 | 2" | 2" | 2" | 1600 | 152 | 110 | 1/2" | 3/8" |
| SC-RL-65 | 65 | 2 1/2" | 2 1/2" | 2" | 1600 | 152 | 110 | 1/2" | 3/8" |
| SC-RL-80 | 80 | 3" | 3" | 2" | 1600 | 152 | 110 | 1/2" | 3/8" |
| SC-RL-100 | 100 | 4" | 4" | 3" | 1600 | 220 | 170 | 1/2" | 1/2" |
| SC-RL-150 | 150 | 6" | 6" | 3" | 1600 | 220 | 170 | 3/4" | 1/2" |
| SC-RL-200 | 200 | 8" | 8" | 4" | 1600 | 220 | 170 | 3/4" | 1/2" |
| SC-RL-250 | 250 | 10" | 10" | 6" | 1600 | 270 | 220 | 3/4" | 1/2" |
| SC-RL-300 | 300 | 12" | 12" | 6" | 1600 | 270 | 220 | 7/8" | 1/2" |
| SC-RL-350 | 350 | 14" | 14" | 8" | 1600 | 375 | 320 | 7/8" | 3/4" |
| SC-RL-400 | 400 | 16" | 16" | 8" | 1600 | 375 | 320 | 7/8" | 3/4" |
| SC-RL-450 | 450 | 18" | 18" | 10" | 1600 | 375 | 320 | 7/8" | 3/4" |
| SC-RL-500 | 500 | 20" | 20" | 10" | 1600 | 375 | 320 | 7/8" | 3/4" |
| SC-RL-600 | 600 | 24" | 24" | 10" | 1600 | 375 | 320 | 7/8" | 3/4" |
Estrada Potuverá Aldeinha, 3151 – Alt. do Km 288 da Régis Bittencourt - CEP: 06859-100 – Itapecerica da Serra / SP
Fone/Fax: 11 4147-3000 | 11 4668-8810
Email: comercial@suportenge.com.br
